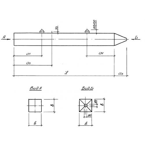
СНпр 9-35

Чертеж изделия:
Характеристики изделия:
ПараметрЗначение
длина9000 мм
ширина350 мм
высота350 мм
масса2800 кг
нормативный документСерия 1.011-6

СНпр 9-35  Сваи цельные сплошного квадратного сечения с напрягаемой продольной арматурой из высокопрочной проволоки (Серия 1.011-6).