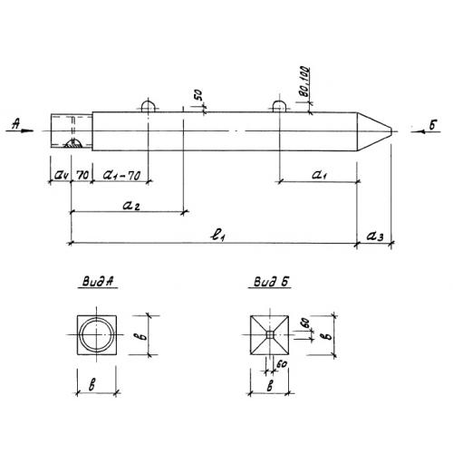
С 80.40-нс сваи составные нижние

Чертеж изделия:
Характеристики изделия:
ПараметрЗначение
длина8000 мм
ширина400 мм
высота400 мм
масса3200 кг
нормативный документСерия 1.011.1-10

С 80.40-нс   Сваи составные нижние Серия 1.011.1-10.