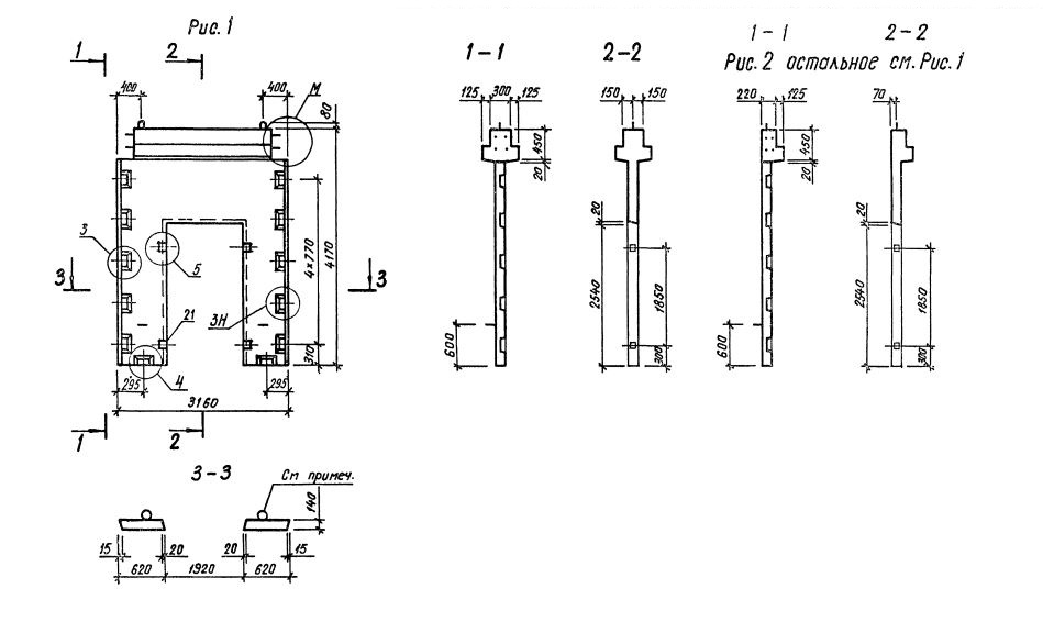
1Д 32.42

Чертеж изделия:
Характеристики изделия:
ПараметрЗначение
длина3160 мм
ширина345 мм
высота4170 мм
масса3780 кг
нормативный документСерия 1.020.1-3пв

1Д 32.42  Диафрагмы жесткости с одной полкой Серия 1.020.1-3пв.