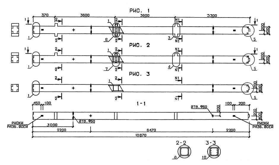
3КБ 4.36

Чертеж изделия:
Характеристики изделия:
ПараметрЗначение
длина10870 мм
ширина400 мм
высота400 мм
масса4470 кг
нормативный документСерия 1.020.1-3пв

3КБ 4.36  Колонны бесстыковые Серия 1.020.1-3пв.