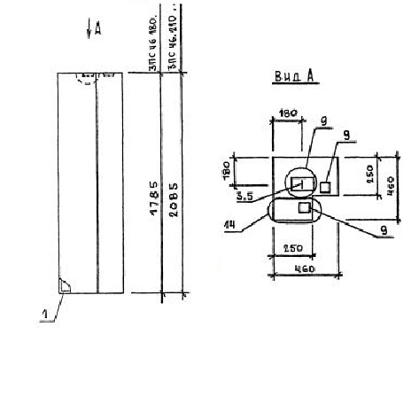
ПС 46.180.2.5 панели стеновые

Чертеж изделия:
Характеристики изделия:
ПараметрЗначение
длина460 мм
ширина250 мм
высота1785 мм
масса360 кг
нормативный документСерия 1.030.1-1/88

ПС 46.180.2.5  Панели стеновые Серия 1.030.1-1/88.