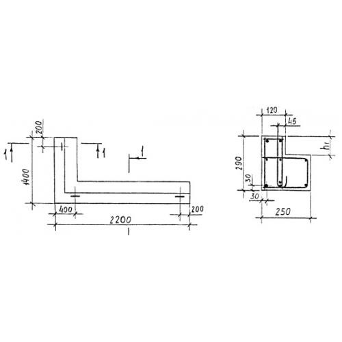
ПГУ 22 перемычки балочные угловые

Чертеж изделия:
Характеристики изделия:
ПараметрЗначение
длина2200 мм
ширина250 мм
высота290 мм
масса538 кг
нормативный документСерия 1.038.1-1

ПГУ 22  Перемычки угловые несущие Серия 1.038.1-1.