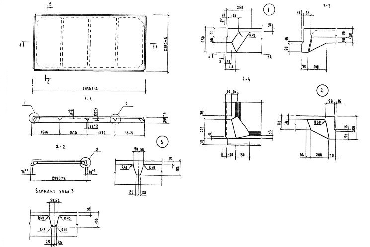
1ПГ 6 плиты ребристые

Чертеж изделия:
Характеристики изделия:
ПараметрЗначение
длина5970 мм
ширина2960 мм
высота250 мм
масса2250 кг
нормативный документСерия 1.065.1-2/94

1ПГ 6  Плиты ребристые Серия 1.065.1-2/94.