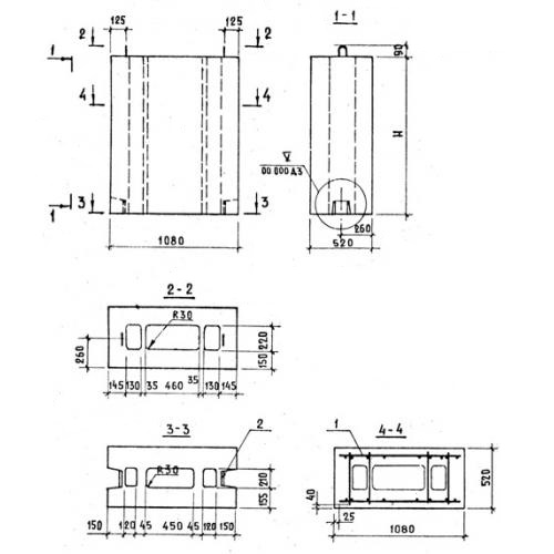
ВБХ 11.14.5 блоки вентиляционные

Чертеж изделия:
Характеристики изделия:
ПараметрЗначение
длина1080 мм
ширина520 мм
высота1350 мм
масса700 кг
нормативный документСерия 1.134.1-12

ВБХ 11.14.5  Блоки вентиляционные холодного чердака Серия 1.134.1-12.