РБ 9.24.8

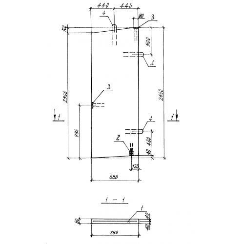
Чертеж изделия:
Характеристики изделия:
ПараметрЗначение
длина880 мм
ширина2400 мм
высота80 мм
масса530 кг
нормативный документСерия 1.137.1 КЛ-3

РБ 9.24.8  Разделительные перегородки балконные Серия 1.137.1 КЛ-3.