1ПР 25
Характеристики изделия:
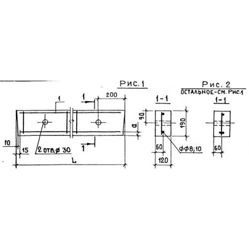
| Параметр | Значение |
|---|---|
| длина | 2590 мм |
| ширина | 120 мм |
| высота | 190 мм |
| вес | 150 кг |
| серия | 1.138-10 |
Цена:
Рассчитать стоимость1ПР 25 Перемычки брусковые по серии 1.138-10.
| Параметр | Значение |
|---|---|
| длина | 2590 мм |
| ширина | 120 мм |
| высота | 190 мм |
| вес | 150 кг |
| серия | 1.138-10 |
1ПР 25 Перемычки брусковые по серии 1.138-10.
