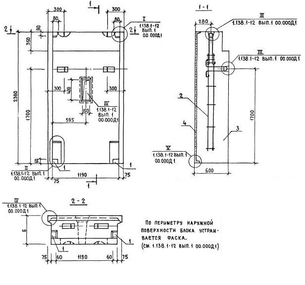
СБ 5.1-12.24.6-п-1.1.1
Характеристики изделия:
| Параметр | Значение |
|---|---|
| длина | 1190 мм |
| ширина | 600 мм |
| высота | 2380 мм |
| масса | 2530 кг |
| нормативный документ | Серия 1.138.1-12 |
Цена:
Рассчитать стоимостьСерия 1.138.1-12
СБ – стеновые блоки наружных стен, тип блока 5 – парапетный блок.