К 84
Характеристики изделия:
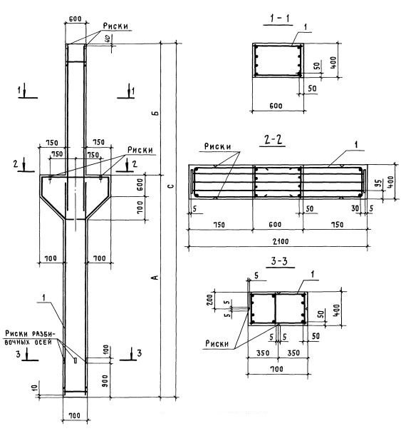
| Параметр | Значение |
|---|---|
| длина | 9450 мм |
| ширина | 400 мм |
| высота | 2100 мм |
| масса | 7600 кг |
| нормативный документ | Серия 1.424.1-5 |
Цена:
Рассчитать стоимостьК 84 Колонны средние Серия 1.424.1-5.
| Параметр | Значение |
|---|---|
| длина | 9450 мм |
| ширина | 400 мм |
| высота | 2100 мм |
| масса | 7600 кг |
| нормативный документ | Серия 1.424.1-5 |
К 84 Колонны средние Серия 1.424.1-5.