Л 34
Характеристики изделия:
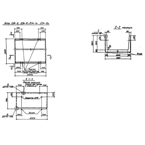
| Параметр | Значение |
|---|---|
| длина | 2970 мм |
| ширина | 3380 мм |
| высота | 1680 мм |
| масса | 7730 кг |
| нормативный документ | Серия 3.006.1-2/82 |
Цена:
Рассчитать стоимостьЛ 34 Лотки теплотрасс Серия 3.006.1-2/82.
| Параметр | Значение |
|---|---|
| длина | 2970 мм |
| ширина | 3380 мм |
| высота | 1680 мм |
| масса | 7730 кг |
| нормативный документ | Серия 3.006.1-2/82 |
Л 34 Лотки теплотрасс Серия 3.006.1-2/82.
