ОП 9

Чертеж изделия:
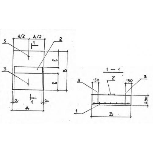
Характеристики изделия:
ПараметрЗначение
длина1150 мм
ширина1350 мм
высота290 мм
масса1130 кг
нормативный документСерия 3.006.1-2/82

ОП 9  Опорные подушки Серия 3.006.1-2/82.