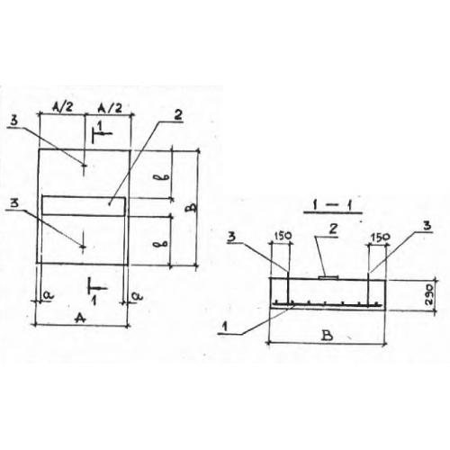
ОП 8 опорные подушки
Характеристики изделия:
| Параметр | Значение |
|---|---|
| длина | 850 мм |
| ширина | 1050 мм |
| высота | 290 мм |
| масса | 650 кг |
| нормативный документ | Серия 3.006.1-2/87 |
Цена:
Рассчитать стоимостьОП 8 Опорные подушки Серия 3.006.1-2/87.
| Параметр | Значение |
|---|---|
| длина | 850 мм |
| ширина | 1050 мм |
| высота | 290 мм |
| масса | 650 кг |
| нормативный документ | Серия 3.006.1-2/87 |
ОП 8 Опорные подушки Серия 3.006.1-2/87.
