П 13 д плиты лотков

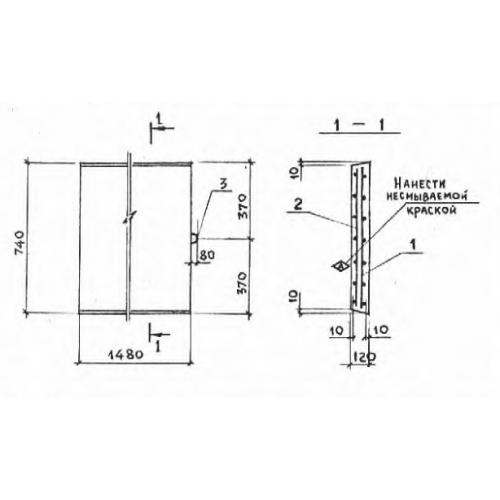
Чертеж изделия:
Характеристики изделия:
ПараметрЗначение
длина740 мм
ширина1480 мм
высота120 мм
масса330 кг
нормативный документСерия 3.006.1-2/87

П 13д Плиты перекрытия лотков доборные Серия 3.006.1-2/87.