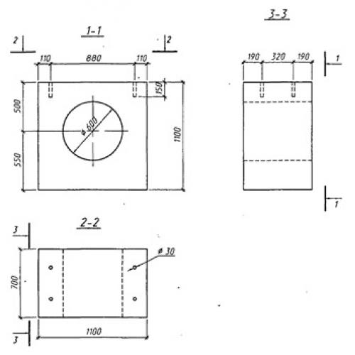
ОП 1

Чертеж изделия:
Характеристики изделия:
ПараметрЗначение
длина1100 мм
ширина1100 мм
высота700 мм
вес1150 кг
серия3.501-180.95

ОП 1 Опорные подушки по серии 3.501-180.95.