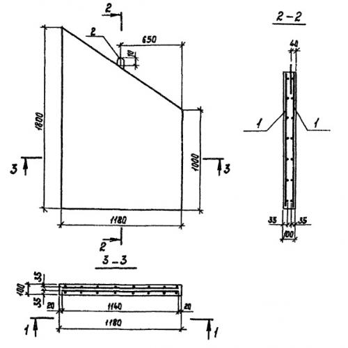
ПС 4

Чертеж изделия:
Характеристики изделия:
ПараметрЗначение
длина1800 мм
ширина100 мм
высота1180 мм
вес425 кг
серия3.503.1-75

ПС 4 Плиты заборных стенок по серии 3.503.1-75.