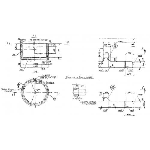
КСД 10-1

Чертеж изделия:
Характеристики изделия:
ПараметрЗначение
длина1160 мм
ширина1160 мм
высота590 мм
вес700 кг
серия3.820-9

КСД 10-1 Кольца колодцев стеновые с днищем по серии 3.820-9.