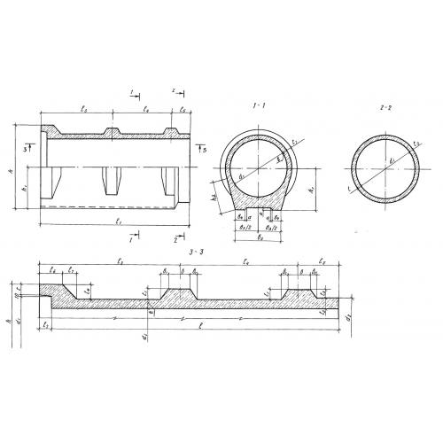
ТПР 100.25
Характеристики изделия:
| Параметр | Значение |
|---|---|
| длина | 2610 мм |
| ширина | 1200 мм |
| высота | 1470 мм |
| масса | 3300 кг |
| нормативный документ | Серия 3.820.1-81.94 |
Цена:
Рассчитать стоимостьТПР 100.25 Труба бетонная безнапорная ребристая раструбная с подошвой, имеющая стыковое соединение втулочного конца. Уплотнение стыковой поверхности таких элементов производится герметиками. Серия 3.820.1-81.94.
