СБН 12.25.3.5

Чертеж изделия:
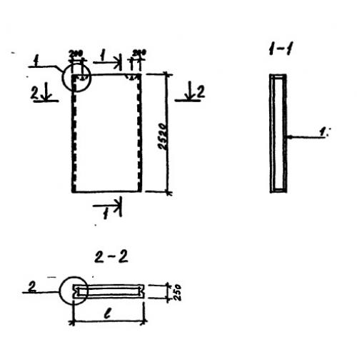
Характеристики изделия:
ПараметрЗначение
длина1180 мм
ширина350 мм
высота2520 мм
вес830 кг
серияТП 213-2-183

СБН 12.25.3.5 Стеновые блоки наружные по проекту ТП 213-2-183.